英吉森技術資料
聯系我們
- 聯系人:郭經理
- 傳真:010-69552656
- 電話:400-0346-119
- 電話:010-57491119
- 郵箱:506665119@qq.com
- 地址:北京通州區M5運河1號3號樓403室
英吉森HS102防爆型小聲光報警器
時間:2019-04-12 14:04:58 品牌:
![[!--oldtitle--]](/d/file/baojingshebei/2019-04-12/fd16e4985809f29eb73c0589d24c37e0.png)
一、HS102防爆型小聲光報警器概述
HS102防爆聲光報警器是一款小型經濟系列的防爆型聲光報警器,HS102可與Trax20、Trax30系列氣體探測器配套,實現聲光報警功能。該HS102防爆型小聲光報警器已經取得中國防爆認證,與氣體探測器配套后符合隔爆要求。
二、HS102防爆型小聲光報警器性能特點
側裝聲光報警器
功能簡單適用
結構簡捷方便,可配接轉接頭
隔爆設計,符合中國防爆標準
三、HS102防爆型小聲光報警器技術參數
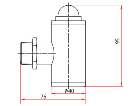
四、HS102防爆型小聲光報警器外形尺寸

五、HS102防爆型小聲光報警器接線安裝圖








